0
问答首页 最新问题 热门问题 等待回答标签广场
我要提问

光电电路led驱动电路

利用固定偏置电压和限流电阻驱动LED电路图

利用固定偏置电压和限流电阻驱动LED电路图
提问者:文艺复兴的凯撒 地点:- 浏览次数:5627 提问时间:05-07 19:14
我有更好的答案
提 交
1条回答
胡政鹏测试_18 05-15 19:54

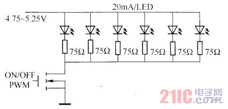
在白光LED应用中最明显的问题是产品的匹配性差,按照白光LED的典型规格,电流为20mA时正向电压的最小值为3.0V,典型值为3.5V,最大值为4.0V。显然,稳压源不是合理的解决方案。利用相同的电流驱动每只LED可以获得均匀亮度,但成本很高。大多数应用只是简单地利用固定偏置电压和限流电阻来获得近似匹配的白光LED亮度,如图所示。


利用固定偏置电压和限流电阻驱动LED电路图.gif

撰写答案
提 交
1 / 3
1 / 3
相关光电电路
具有音调控制的单片机立体声前置放大器
用于单片机与电子装置中的开关电源
TA7654P/TA7655P构成5点一条LED显示驱动电路图
用直流电点燃日光灯线路
7段LED显示器的分时驱动电路图
相关led驱动电路
大功率led驱动电路图
TA7654P/TA7655P构成5点一条LED显示驱动电路图
7段LED显示器的分时驱动电路图
线性LED驱动器半桥LLC电路
发光二极管(LED)显示驱动电路