0
问答首页 最新问题 热门问题 等待回答标签广场
我要提问

光电电路led驱动电路

6数位LED驱动器电路

6数位LED驱动器电路
提问者:nmmmma 地点:- 浏览次数:1180 提问时间:06-08 11:06
我有更好的答案
提 交
1条回答
asp60399 06-11 23:00

6数位LED驱动器电路.jpg


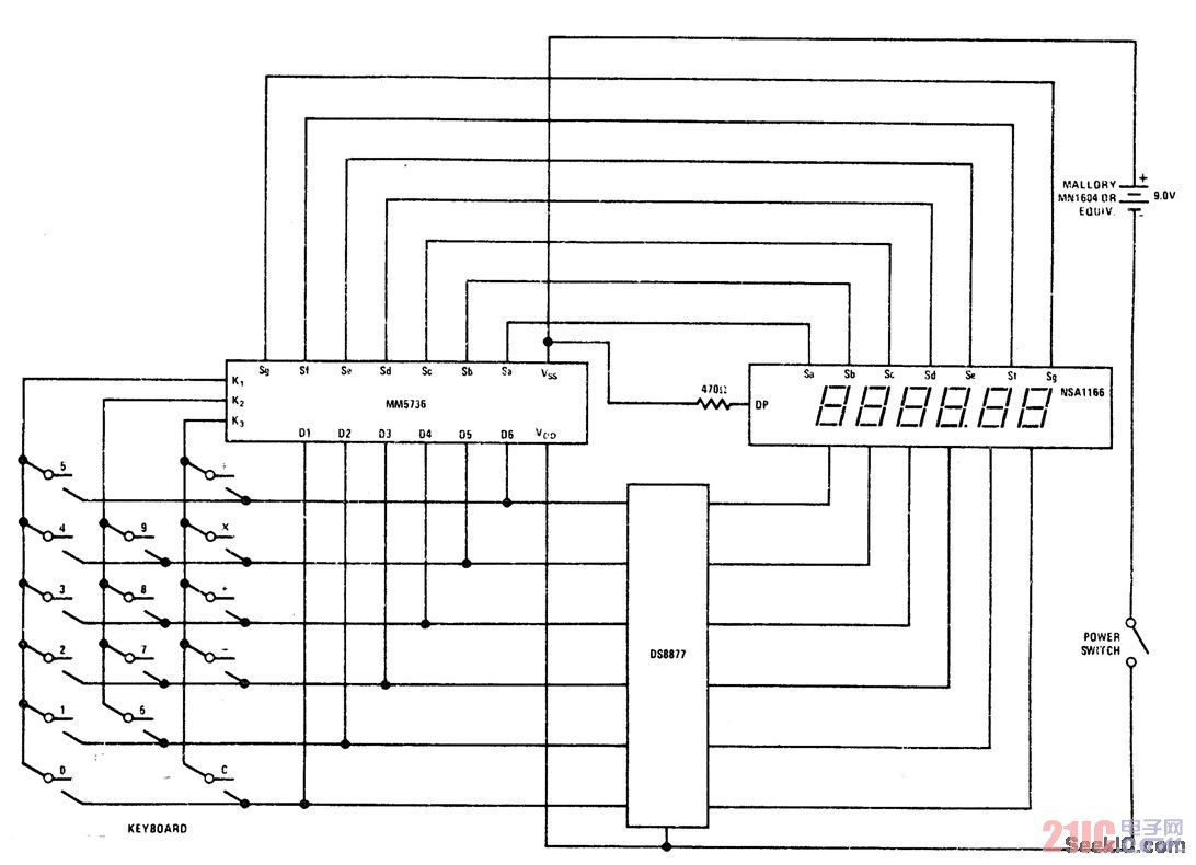
美国国家半导体公司的DS8877驱动电路的配置如图所示,当和6数位计算器数字电流连用时,电流范围是5至50mA。驱动器不需要备用电源,其工作电压可以是4.5V,6V,也可以是9V。

 

撰写答案
提 交
1 / 3
1 / 3
相关光电电路
具有音调控制的单片机立体声前置放大器
用于单片机与电子装置中的开关电源
TA7654P/TA7655P构成5点一条LED显示驱动电路图
用直流电点燃日光灯线路
7段LED显示器的分时驱动电路图
相关led驱动电路
大功率led驱动电路图
TA7654P/TA7655P构成5点一条LED显示驱动电路图
7段LED显示器的分时驱动电路图
线性LED驱动器半桥LLC电路
发光二极管(LED)显示驱动电路