0
问答首页 最新问题 热门问题 等待回答标签广场
我要提问

光电电路led驱动电路

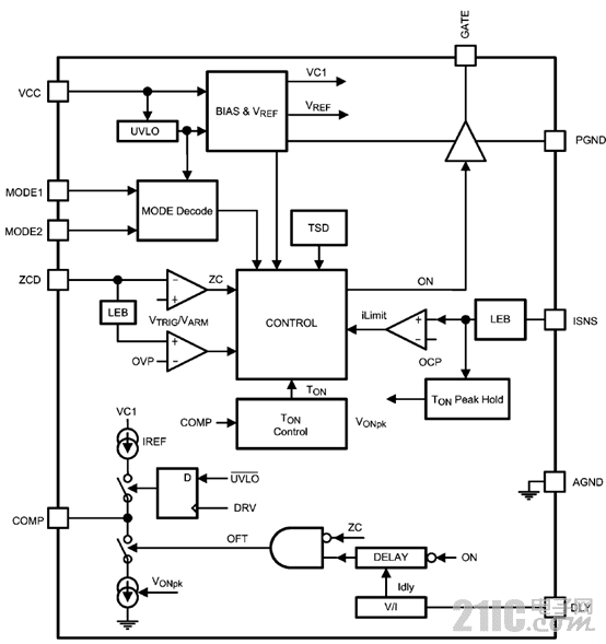
TPS92310大功率LED驱动器的TPS92310方框图

TPS92310大功率LED驱动器的TPS92310方框图
提问者:烈阳异丙醇 地点:- 浏览次数:6872 提问时间:05-25 15:14
我有更好的答案
提 交
1条回答
asd013 06-02 13:21

STK085-105音响IC电路图.gif

撰写答案
提 交
1 / 3
1 / 3
相关光电电路
具有音调控制的单片机立体声前置放大器
用于单片机与电子装置中的开关电源
TA7654P/TA7655P构成5点一条LED显示驱动电路图
用直流电点燃日光灯线路
7段LED显示器的分时驱动电路图
相关led驱动电路
大功率led驱动电路图
TA7654P/TA7655P构成5点一条LED显示驱动电路图
7段LED显示器的分时驱动电路图
线性LED驱动器半桥LLC电路
发光二极管(LED)显示驱动电路