0
问答首页 最新问题 热门问题 等待回答标签广场
我要提问

光电电路开关电源电路

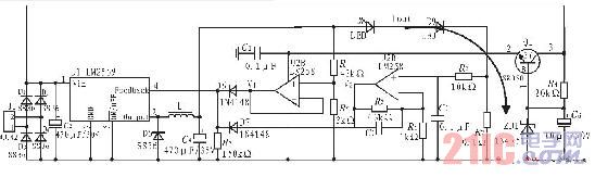
基于LM2596-ADJ的LED开关恒流稳压电源电路原理图

基于LM2596-ADJ的LED开关恒流稳压电源电路原理图
提问者:xi9632 地点:- 浏览次数:908 提问时间:01-29 12:01
我有更好的答案
提 交
1条回答
cmh3 01-31 07:46

.jpg

撰写答案
提 交
1 / 3
1 / 3
相关光电电路
具有音调控制的单片机立体声前置放大器
用于单片机与电子装置中的开关电源
TA7654P/TA7655P构成5点一条LED显示驱动电路图
用直流电点燃日光灯线路
7段LED显示器的分时驱动电路图
相关开关电源电路
TEA1753T开关电源应用电路
TH-1024S集线器开关电源电路图
24V开关电源原理电路图
谁有开关电源电路原理图
一种UC3842设计的PWM开关电源电路