
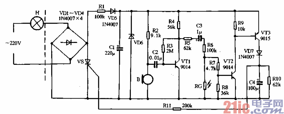
光控电路主要由光敏电阻器RG等组成,白天RG受光照射呈低电阻,使三极管VT2基
极电位变低而截止,PNP型管VT3也随之截止,电容C4两端无电压,vs困无触发电压而
处于关断状态,电灯H不会被点亮。
夜间因无光线照射RG.RG呈高电阻,从而解除对三极管VT2的封锁,为VT2工作
提供条件。此时若有声响被话筒B接收,声波信号首先经三极管VT1放大,然后经R5与
C3输出,使得VT2的基极电位升高,VT2、VT3随之导通,正电源就通过VT3、VD7向
电容C4充电,使C4两端电压升高,当升至可控硅vs的触发电平时,vs就由关断态翻转
进入导通态,由VDI~VD4、vs组成的开关主回路就有较大电流通过,故灯泡H就通电发
光。vs开通后,vs两端电压跌落,VTI~VT3均转为截止态,此时C4储存的电荷将通过
电阻Rl0泄放,使C4两端电压逐渐下降,当降至vs门极的触发电平,vs在交流电过零
时即关断,电灯H随之熄灭。若环境再有响声,电灯H可再次被点亮。