
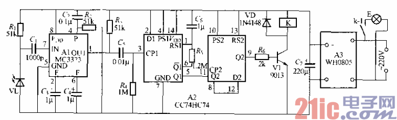
本例介绍的红外遥控灯,不需要单独为它制作红外光线发射器,只要使用家中
仟何一款现有的红外遥控器,如电视机、nVI)机、音响设备等红外遥控器就能控
制电灯的开启与熄火,红外遥控灯的电路见图21 3,电路由红外传感器、红外光线
放大器、解训器、IU于开咒与电源电路等几部分组成。
我们知道无-仑电视机、DVD机等红外遥控器,它们发出的红外光线中都含有
:i0- ,Okfiz的脉冲调制信号串,虽然编码信号并不相同,但我们并不需要掌握其
编码,而只要遥控器发出的最初的脉冲。
当红外接收_极管VI。收到来自遥控器发出的红外光线时,就将红外光信号转
换为相应的电信号,经G耦合到红外线tlc大,7检测器A1的输入端IN,经Al内电
路解婀、净化、放火“及清除非红外信号,最后由输出端()UT即第①脚输出一串
纯净的组外脉冲,经f.送人由1/2A?组成的尊稳触发器(、Pl端。使输出端Ql即
第⑤脚输出低电平,并维持2s左右。这段时闽南‘与R时问常数决定,若改变
G或R,的数值,可以稠节其时问的长短. A2的另一半则组成双稳态电路,⑤脚
输出的低电平信号直接送人双稳恋电路的CP2端即第0脚,使双稳电路发生翻转,
其输出端Q2即第◎脚电平发牛改变。若原来为低电平就变为高电平,VT导通,
继电器K吸合,其动合触点kl闭合,电灯E点亮。需要关灯时,只要再按一下
红外遥控器,A2的⑨脚就由高电平突变为低电平,VT截止,触点kl跳开,灯E
熄灭。
电路设置单稳触发器的日的是为了脉冲展宽,因为要把tr外遥挖器发出的快速
单音脉冲变为较易处IiP的较长的逻辑脉冲,就必颓实施脉冲展宽技术,即进行时间
延迟。-旦VI,收到红外信号,单稳触发器基本被锁定,使输出低电平保持足够长
的时间来阻止脉冲输入。只有这段时间过后,单稳触发器才可以继续接收与处理红
外信号。也就是说发射第·次红外遥控信号,可使后面双稳电路翻转一次,电灯状
态改变一班。在发射一次遥控信号后,必须待2s后,再发射信号才有效,才能使
电路再次翻转。
VI,可用PH302型等红外接收二极管,【要求用CC1型高频瓷介电容器,K
町州.IZL 22F、D【I5V超小型低功耗电磁继电器,其他元器件无特殊要求。本电路
般不用作什么铡试,即能进入正常T作,最大控制距离为iOm左右。