0
问答首页 最新问题 热门问题 等待回答标签广场
我要提问

光电电路运算放大电路保护电路

采用运算放大器的报警、保护电路

采用运算放大器的报警、保护电路
提问者:zimufan 地点:- 浏览次数:7310 提问时间:01-23 14:09
我有更好的答案
提 交
1条回答
asd012 02-02 01:20

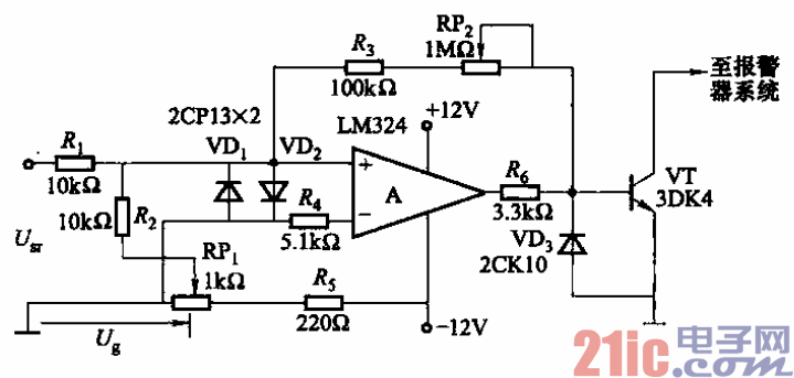
43.采用运算放大器的报警、保护电路.gif


它采用运算放大器,并按比较器方式工作。被检测信号Us,可以

是由温度、压力、湿度、应变等非电量经换能元件转换来的电压。当U。,>U。(比较阈值)

时,三极管VT导通,驱动报警电路,或由继电器控制保护系统动作。

撰写答案
提 交
1 / 3
1 / 3
相关光电电路
具有音调控制的单片机立体声前置放大器
用于单片机与电子装置中的开关电源
TA7654P/TA7655P构成5点一条LED显示驱动电路图
用直流电点燃日光灯线路
7段LED显示器的分时驱动电路图
相关运算放大电路
低漂移运算放大器
宽带运算放大器
单电源运算放大器电路图
使用L161的100倍增益运算放大器电路图
零漂移运算放大器
相关保护电路
采用限流保护电路的100W功率放大器
典型开关电源保护电路
音频功率放大电路和喇叭保护电路原理图
开关电源模块化设计及继电保护电路设计 —电路图天天读(247)
数控开关电源过流保护电路图