0
问答首页 最新问题 热门问题 等待回答标签广场
我要提问

光电电路直流电路报警电路

直流电源欠电压、过电压报警电路

直流电源欠电压、过电压报警电路
提问者:sunbingfeng 地点:- 浏览次数:5501 提问时间:06-17 03:53
我有更好的答案
提 交
1条回答
jfuwrwer 06-22 00:26

89.直流电源欠电压、过电压报警电路.gif


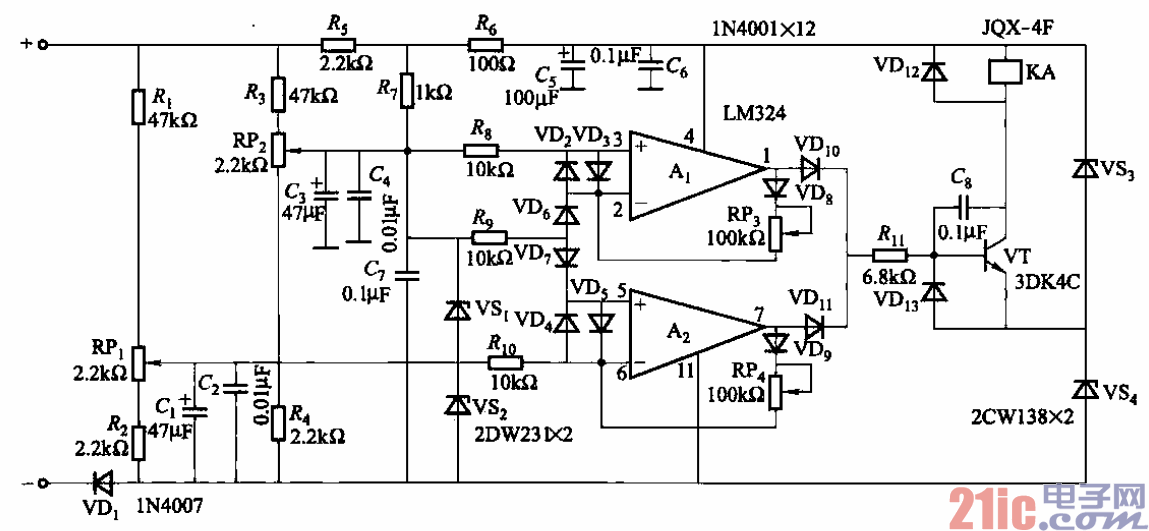
该电子式报警器的攘定和返回的调整十分方便、准确,工作稳定

可靠。图中,Ai、Az为LM324四运放中的两组放大器,是比较、判别电路的核心器件。

Ai作过电压用,A2作欠电压用。调节电位器RPi和RP2,即可方便地改变下限值(欠电

压)和上限值(过电压)。三极管VT起信号放大作用(此处作开关电路)以带动继电器工

作。电容Cl、Cz、C3、C4起延时(1~3s)(为防止电压波动而误动作)和滤除高频杂散干

扰用

撰写答案
提 交
1 / 3
1 / 3
相关光电电路
具有音调控制的单片机立体声前置放大器
用于单片机与电子装置中的开关电源
TA7654P/TA7655P构成5点一条LED显示驱动电路图
用直流电点燃日光灯线路
7段LED显示器的分时驱动电路图
相关直流电路
直流功率计电路图
直流伺服恒流功放电路图
交直流两用功放电路制作
纯直流场效应管功放电路原理图
直流电机的可逆原理
相关报警电路
直流电流电压变换电路图
简单的断开报警电路图
蜂鸣器报警电路
简单的连续波单音红外光束发射器电子图
接触式报警器电路图