0
问答首页 最新问题 热门问题 等待回答标签广场
我要提问

光电电路自锁电路报警电路

带自锁的报警电路

带自锁的报警电路
提问者:aaaa321 地点:- 浏览次数:7233 提问时间:01-05 02:55
我有更好的答案
提 交
1条回答
wy8719 01-06 05:36

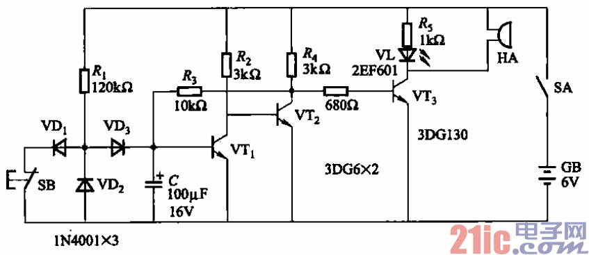
141.带自锁的报警电路.gif


平时,按钮(或开关)SB处于闭合状态,一旦SB断开,即报

警并锁定,即使SB再闭合,也无法停止报警。要解除报警状态,只能断开一下电源开关

SA.自锁电路才能复原。

撰写答案
提 交
1 / 3
1 / 3
相关光电电路
具有音调控制的单片机立体声前置放大器
用于单片机与电子装置中的开关电源
TA7654P/TA7655P构成5点一条LED显示驱动电路图
用直流电点燃日光灯线路
7段LED显示器的分时驱动电路图
相关自锁电路
有自锁(自保持)功能的开关电路图(一)
自锁开关电路
自锁式报警器电路
带自锁功能的一机多地控制电路
带自锁功能的密码锁设计原理
相关报警电路
直流电流电压变换电路图
简单的断开报警电路图
蜂鸣器报警电路
简单的连续波单音红外光束发射器电子图
接触式报警器电路图