0
问答首页 最新问题 热门问题 等待回答标签广场
我要提问

光电电路电源

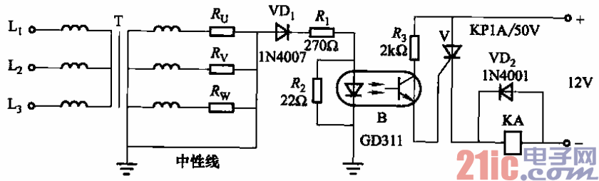
三相交流电源中性线断路报警电路之二

三相交流电源中性线断路报警电路之二
提问者:wenjie26 地点:- 浏览次数:5074 提问时间:05-12 10:53
我有更好的答案
提 交
1条回答
iwqudwnd 05-13 22:33

81.三相交流电源中性线断路报警电路之二.gif


它通过光电耦合器B耦合,控制晶闸管V及继电器KA动作,

从而带动报警或作用于开关跳闸。


 

撰写答案
提 交
1 / 3
1 / 3
相关光电电路
具有音调控制的单片机立体声前置放大器
用于单片机与电子装置中的开关电源
TA7654P/TA7655P构成5点一条LED显示驱动电路图
用直流电点燃日光灯线路
7段LED显示器的分时驱动电路图
相关电源
TDA16846组成的彩电开关电源原理图
联想LX-PL4C2型彩色显示器开关电源电路
长虹CN-9机心彩电开关电源电路
索尼KV2184彩电开关电源电路
王牌TCL-3460D彩电开关电源电路