0
问答首页 最新问题 热门问题 等待回答标签广场
我要提问

光电电路

LCD微处理器语音合成系列电路图

LCD微处理器语音合成系列电路图

提问者:chnq1984 地点:- 浏览次数:7192 提问时间:01-03 09:41
我有更好的答案
提 交
1条回答
深圳景尚科技有限公司 01-03 11:14

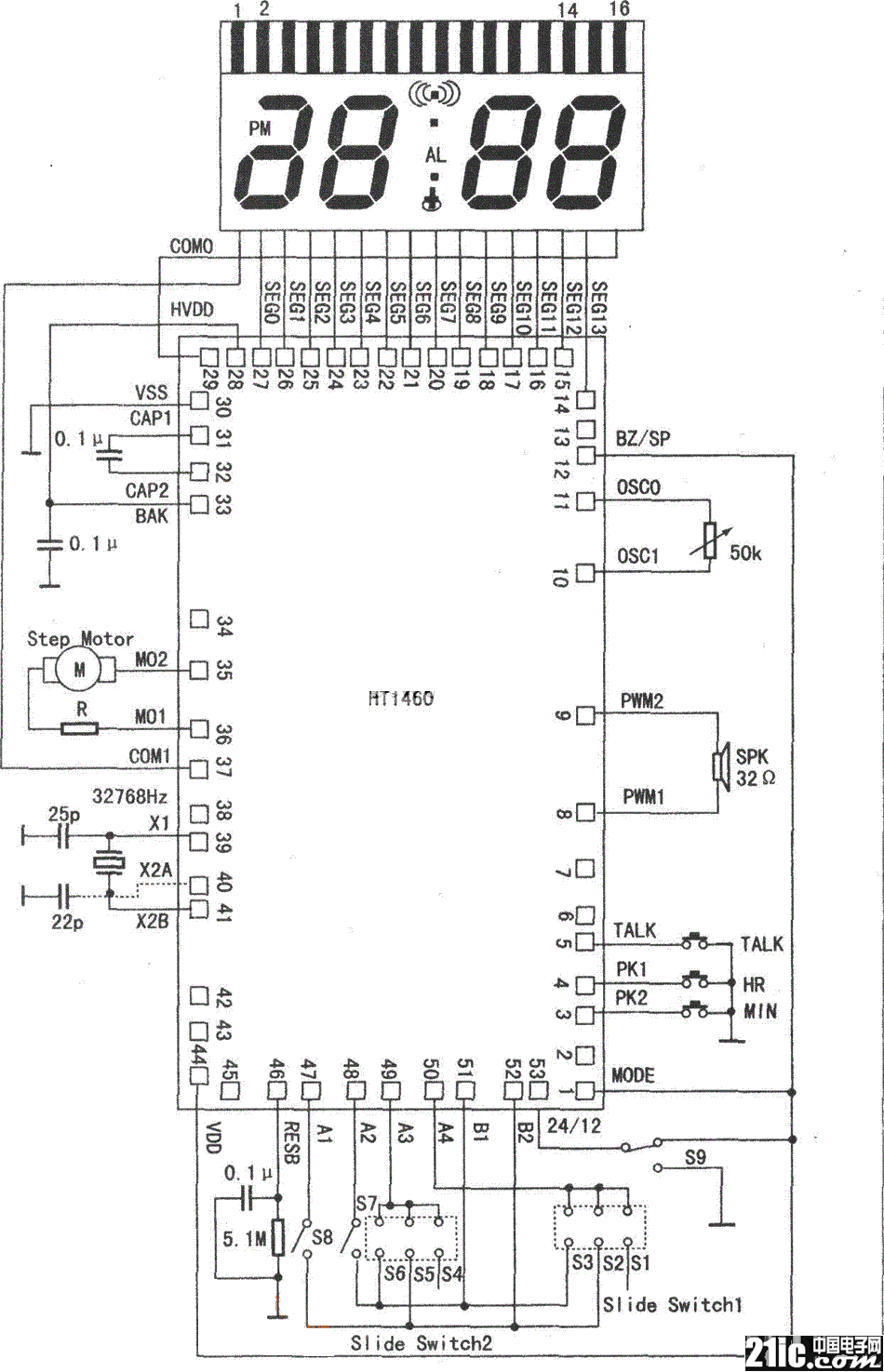
该系列语音合成电路内含微处理器、LCD驱动器、时钟振荡器、输入输出口、多段语音存贮器和音频信号放大器等电路单元。本系列电路主要用于语音钟表、体温计、电子台历、智能语音玩具等。如图为HT1460典型应用电路图。


2.gif

撰写答案
提 交
1 / 3
1 / 3
相关光电电路
具有音调控制的单片机立体声前置放大器
用于单片机与电子装置中的开关电源
TA7654P/TA7655P构成5点一条LED显示驱动电路图
用直流电点燃日光灯线路
7段LED显示器的分时驱动电路图