0
问答首页 最新问题 热门问题 等待回答标签广场
我要提问

光电电路

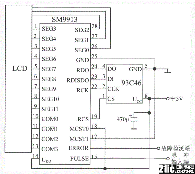
电能表LCD控制驱动集成电路SM9913的典型应用电路图

电能表LCD控制驱动集成电路SM9913的典型应用电路图

提问者:南山铝业11 地点:- 浏览次数:10015 提问时间:04-13 14:20
我有更好的答案
提 交
1条回答
Jayden888 04-22 04:38

如图所示为电能表LCD控制驱动集成电路SM9913的典型应用电路。E2PROM采用93C46型64×16b电擦写可编程存储器。SM9913的ERROR输出端用来检测读取E2PROM数据的错误及内部数据处理错误,正常时输出低电平。当发生下列情况之一时输出高电平:①写E2PROM数据错误或读E2PROM数据错误,导致芯片上电后从E2PROM中读到的数据不一致;②工作过程中显示数据写内部寄存器错误;③内部触发器工作不正常。


电能表LCD控制驱动集成电路SM9913的典型应用电路图

撰写答案
提 交
1 / 3
1 / 3
相关光电电路
具有音调控制的单片机立体声前置放大器
用于单片机与电子装置中的开关电源
TA7654P/TA7655P构成5点一条LED显示驱动电路图
用直流电点燃日光灯线路
7段LED显示器的分时驱动电路图