0
问答首页 最新问题 热门问题 等待回答标签广场
我要提问

光电电路led驱动电路

SAA1064串行I2C总线LED动态驱动接口电路图

SAA1064串行I2C总线LED动态驱动接口电路图
提问者:viczeng 地点:- 浏览次数:6418 提问时间:07-02 02:51
我有更好的答案
提 交
1条回答
luwan 07-07 00:02

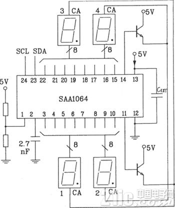
如图为SAA1064串行I2C总线LED显示驱动集成电路动态驱动接口电路。


由于SAA1064的动态扫描显示是依靠片内的多路开关数据锁存器及时钏控制电路,以主器件不必介入,因此使用动态工作方式最能发挥SAA1064的功能潜力,是最常用的工作方式。图中LED的位号与数据操作格式中的段选数据顺序对应。CEXT为时钟振荡电容,它保证动态驱动用的工作信号。MX1、MX2为显示器人公共极驱动信号输出端。


SAA1064串行I2C总线LED动态驱动接口电路图

撰写答案
提 交
1 / 3
1 / 3
相关光电电路
具有音调控制的单片机立体声前置放大器
用于单片机与电子装置中的开关电源
TA7654P/TA7655P构成5点一条LED显示驱动电路图
用直流电点燃日光灯线路
7段LED显示器的分时驱动电路图
相关led驱动电路
大功率led驱动电路图
TA7654P/TA7655P构成5点一条LED显示驱动电路图
7段LED显示器的分时驱动电路图
线性LED驱动器半桥LLC电路
发光二极管(LED)显示驱动电路