0
问答首页 最新问题 热门问题 等待回答标签广场
我要提问

光电电路led驱动电路

led电平表驱动集成电路构成的电平显示电路图

led电平表驱动集成电路构成的电平显示电路图
提问者:asd008 地点:- 浏览次数:8709 提问时间:03-13 06:30
我有更好的答案
提 交
1条回答
ziyigan 03-23 03:11

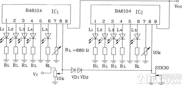
2块BA6104五位LED电平表驱动集成电路构成的10点LED电平显示电路如图所示。


LED电平表驱动集成电路构成的电平显示电路图


由两块BA6104构成的10 点LED电平显示电路见图所示,调节IC1第7脚的Vref,使IC1中L1~L5 5只LED全亮;调节IC2第7脚的Vref使IC2的L1~L5 5只LED全亮,此亮灯电压是IC1的2倍,发光顺序为IC1的L1~L5到IC2的L1~L5。

撰写答案
提 交
1 / 3
1 / 3
相关光电电路
具有音调控制的单片机立体声前置放大器
用于单片机与电子装置中的开关电源
TA7654P/TA7655P构成5点一条LED显示驱动电路图
用直流电点燃日光灯线路
7段LED显示器的分时驱动电路图
相关led驱动电路
大功率led驱动电路图
TA7654P/TA7655P构成5点一条LED显示驱动电路图
7段LED显示器的分时驱动电路图
线性LED驱动器半桥LLC电路
发光二极管(LED)显示驱动电路