0
问答首页 最新问题 热门问题 等待回答标签广场
我要提问

光电电路led驱动电路发光电路

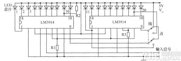
LM3914驱动20条LED发光柱电路图

LM3914驱动20条LED发光柱电路图
提问者:cmh5 地点:- 浏览次数:6905 提问时间:12-22 20:56
我有更好的答案
提 交
1条回答
胡政鹏测试bbs2 12-25 20:54

LM3914驱动20条LED发光柱电路图如下图:


LM3914驱动20条LED发光柱电路图

撰写答案
提 交
1 / 3
1 / 3
相关光电电路
具有音调控制的单片机立体声前置放大器
用于单片机与电子装置中的开关电源
TA7654P/TA7655P构成5点一条LED显示驱动电路图
用直流电点燃日光灯线路
7段LED显示器的分时驱动电路图
相关led驱动电路
大功率led驱动电路图
TA7654P/TA7655P构成5点一条LED显示驱动电路图
7段LED显示器的分时驱动电路图
线性LED驱动器半桥LLC电路
发光二极管(LED)显示驱动电路
相关发光电路
发光二极管(LED)显示驱动电路
发光电笛电路
利用发光二极管作压电信号发生器显示电路
三极管驱动发光二极管电平指示电路
发光二极管(LED)显示驱动电路的基本结构