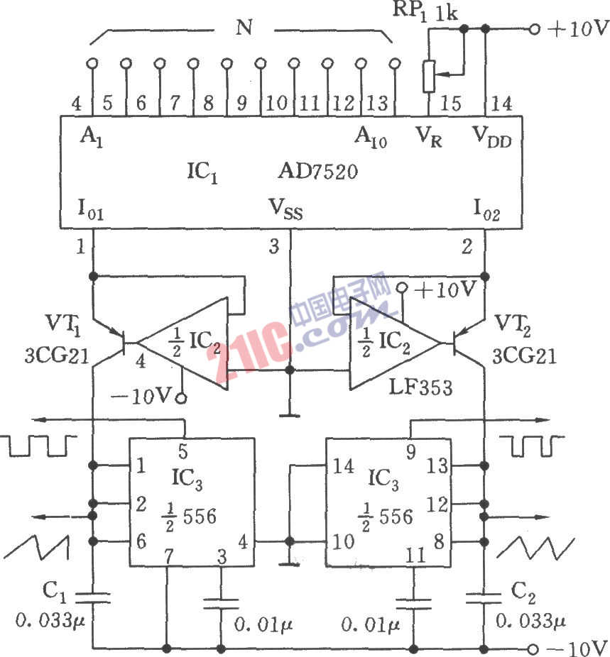
如图所示,AD7520是CMOS型10位多路DAC集成电路,可提供与l0位数字输入量N成正比的输出电流Io1,还可提供与(1023-N)成正比的电流Io2。VT1、VT2及宽带双运放LF353N为电容器C1、C2提供充电电流。当C1、C2上的充电电压达到阈值电平2/3 VDD时,556复位;C1、C2通过基片内相应的放电管放电,至1/3 VDD,然后又置位,以与N成正比的Io1和与(1023-N)成正比的Io2的速率重新充电。因Io1与数字N成正比,故可获得l0~10000Hz的频率输出。555可同时提供脉冲和锯齿波输出。RP1用于调节频率范围。
