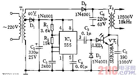
这种电源是以一块时基电路555为核心组成的,电路如图所示。555和R1、R2、C2等组成一个多谐振荡器,其振荡频率f=1.44/(R1+2R2)C2
图示参数的振荡频率为17.8kHz,输出脉冲的占空比接近于1:1.555的输出经D3等底部割切后,驱动高频放大器VT1.该放大器由于基极D3、LED1的接入,使其工作在丙类状态。C5用来防止反峰电压出现,保护晶体管VT1.放大器变压器的次级可输出约12500V的高频电压,可用来驱动3~6m长的霓虹灯点燃发光。VT1采用大功率管3DK308A或BU406,其电参数为7A/400V/60W,ft不低于6MHz。
