0
问答首页 最新问题 热门问题 等待回答标签广场
我要提问

555电路电源

采用±15V电源的NE555定时电路

采用±15V电源的NE555定时电路
提问者:jdfuwuerw 地点:- 浏览次数:6655 提问时间:03-20 00:29
我有更好的答案
提 交
1条回答
金小小涛 03-20 09:16

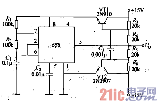
11.采用±15V电源的NE555定时电路.gif


电路原理简介  电路中,为了得到双向输

出能力并在双电源下工作,可对NE555的电源端加

上浮置的差动工作电压。电阻昆~风和晶体管

VT1、VTZ构成电压位移网络即可用来产生必要的

浮动电压。电容C3用于抑制定时器输出跳窃时产生

的高频振薪。    '、

    (2)元器件参数选择元器件前选甩如图3,:11

所示,无特殊要求。

    (3)采用±15V电源的NE555定耐电路如图

撰写答案
提 交
1 / 3
1 / 3
相关555电路
电视方格信号发生器电路
玩具碰碰车电路图
555开机延时输出高电平电路
555脉冲调宽式开关电源电路图
晶体管测试兼信号发生器电路图
相关电源
TDA16846组成的彩电开关电源原理图
联想LX-PL4C2型彩色显示器开关电源电路
长虹CN-9机心彩电开关电源电路
索尼KV2184彩电开关电源电路
王牌TCL-3460D彩电开关电源电路