在设计电子电路时.有时希望在合上开关后,电源延迟一会再接通。例如在有输出的设备上,希望设备工作稳定后再输出。在音频放大器中,要等待放大器稳定后再接通扬声器等等。
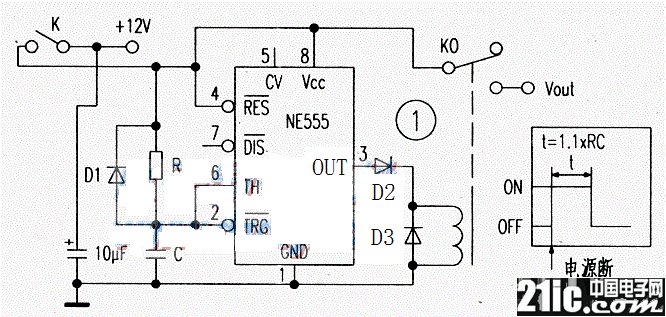
图1就是这样的延迟电路。使用了时基电路555作定时器,驱动继电器,在电源开关被合上后延迟一段时间.再接通或断开电路。延迟时间由电容器C和电阻R确定,当R=100kΩ.C=10μF时,延迟时间约1.1秒。

图1
当不希望使用继电器时,可利用晶体管来延迟直流电压的接通.电路如图2所示。

图2
在图1、图2的电路工作时.只要手动开关K接通+12V电源.由NE555组成的单稳态电路工作,其③脚输出高电平。在图1电路中,由继电器触点K与 Vout接通+12v电源供外接负载使用:在图2电路中,当晶体管T(PNP型)导通,其Vout与+12V电源接通,供外接负载使用。