0
问答首页 最新问题 热门问题 等待回答标签广场
我要提问

数字电路触发器电路

触发脉冲发生器电路

触发脉冲发生器电路
提问者:xixunled 地点:- 浏览次数:7719 提问时间:01-16 06:26
我有更好的答案
提 交
1条回答
普罗旺斯的薰衣草 01-16 18:47

29.触发脉冲发生器电路.gif


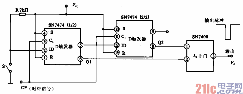
触发脉冲发生器电路


所示为一种触发脉冲发生器电路。该电路由梭键开关,双D触发器SN7474及与非门构成。

D触发器工作于移位方式。每一次按键,将低电平送图中Dl端,在时钟信号CP作用下将Dl状态逐位

右移。当第二个CP上升沿到达时,与非门将Ql和Q2状态形成单脉冲输出,图示电踌移入的是低电平,

故输出为负向单脉冲。

撰写答案
提 交
1 / 3
1 / 3
相关数字电路
同步RS触发器的电路结构及其符号
序列信号发生器
点阵型LCD和矩阵键盘电路
数字滤波电路图
多谐振荡器的工作特点和符号
相关触发器电路
D触发器组成互锁式电子开关电路图
降压电路图
D触发器型单脉冲发生器
电路图符号大全
光触发器电路图