0
问答首页 最新问题 热门问题 等待回答标签广场
我要提问

模拟电路信号发生器

1.8kHz信号发生器电路

1.8kHz信号发生器电路
提问者:Green_LJ 地点:- 浏览次数:555 提问时间:04-08 20:15
我有更好的答案
提 交
1条回答
oiewjrj 04-14 12:16

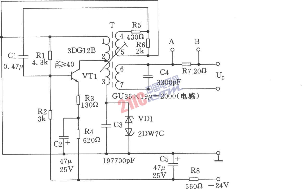
如图所示电路选用最佳工作状态和合理分配谐振回路元器件的温度系数。在谐振两端还采用了交流稳压措施,从而获得了优良的输出幅度和频率稳定度。温度在+25℃±20℃。电源电压即使在-24V变化-40%的范围内变化,频率△f≤2Hz、输出电平△dB≤0.26dB。

 

1.8kHz信号发生器电路

 

撰写答案
提 交
1 / 3
1 / 3
相关模拟电路
正弦波-方波波形变换电路
带符号位的多位二进制反码加减运算电路
最实用基本图解电路48-一相式过流保护电路
OTL音频功率放大电路
振荡电路的起振与稳幅过程电路
相关信号发生器
序列信号发生器
晶体管测试兼信号发生器电路图
金属探测器电路图
互补管施密特触发器
文氏电桥正弦振荡器电路