0
问答首页 最新问题 热门问题 等待回答标签广场
我要提问

模拟电路

数字钟时基振荡源电路图

数字钟时基振荡源电路图
提问者:胡bbs1 地点:- 浏览次数:7306 提问时间:08-03 18:07
我有更好的答案
提 交
1条回答
ldp1653 08-09 09:08

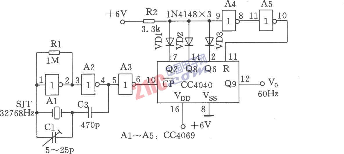
如图所示电路主要用作数字钟的时基振荡源。时基输出频率为60Hz,适用于LED数字钟集成电路,如LM8361~LM8365等。它由l2位二进制串行计数器/分配器CC4040和六反相器CC4069等构成的数字钟晶振时基电路。

 

数字钟时基振荡源电路图

 

撰写答案
提 交
1 / 3
1 / 3
相关模拟电路
正弦波-方波波形变换电路
带符号位的多位二进制反码加减运算电路
最实用基本图解电路48-一相式过流保护电路
OTL音频功率放大电路
振荡电路的起振与稳幅过程电路