0
问答首页 最新问题 热门问题 等待回答标签广场
我要提问

模拟电路恒流源电路

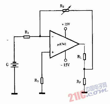
巧用UA741作可调恒流源电路图

巧用UA741作可调恒流源电路图
提问者:zhuqunwei 地点:- 浏览次数:3518 提问时间:01-02 02:46
我有更好的答案
提 交
1条回答
胡政鹏测试_23 01-09 09:20

 

巧用UA741作可调恒流源电路图

 

撰写答案
提 交
1 / 3
1 / 3
相关模拟电路
正弦波-方波波形变换电路
带符号位的多位二进制反码加减运算电路
最实用基本图解电路48-一相式过流保护电路
OTL音频功率放大电路
振荡电路的起振与稳幅过程电路
相关恒流源电路
自己组装全集成高保真恒流源功率放大器
集成稳压器构成的开关恒流源电路
采用恒流源完成电平位移电路图
由TL431组成的高精度的恒流源电路图
采用运算放大器和达林顿晶体管的恒流源