0
问答首页 最新问题 热门问题 等待回答标签广场
我要提问

模拟电路运算放大电路

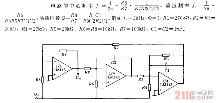
采用三个运算放大器的陷波滤波器电路

采用三个运算放大器的陷波滤波器电路
提问者:bbs注册 地点:- 浏览次数:6775 提问时间:06-01 09:25
我有更好的答案
提 交
1条回答
lxhzx 06-07 00:22

采用三个运算放大器的陷波滤波器电路.gif

撰写答案
提 交
1 / 3
1 / 3
相关模拟电路
正弦波-方波波形变换电路
带符号位的多位二进制反码加减运算电路
最实用基本图解电路48-一相式过流保护电路
OTL音频功率放大电路
振荡电路的起振与稳幅过程电路
相关运算放大电路
低漂移运算放大器
宽带运算放大器
单电源运算放大器电路图
使用L161的100倍增益运算放大器电路图
零漂移运算放大器