0
问答首页 最新问题 热门问题 等待回答标签广场
我要提问

模拟电路耦合电路

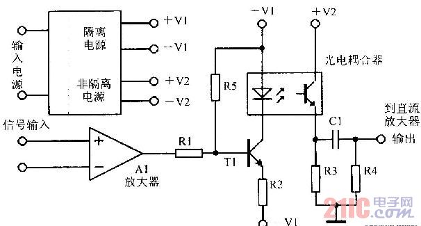
直接光耦合隔离放大电路

直接光耦合隔离放大电路
提问者:60user80 地点:- 浏览次数:2269 提问时间:02-19 23:09
我有更好的答案
提 交
1条回答
sfsfs 02-24 14:36

.jpg

撰写答案
提 交
1 / 3
1 / 3
相关模拟电路
正弦波-方波波形变换电路
带符号位的多位二进制反码加减运算电路
最实用基本图解电路48-一相式过流保护电路
OTL音频功率放大电路
振荡电路的起振与稳幅过程电路
相关耦合电路
用变压器耦合的A类放大器
直接光耦合隔离放大电路图
直接耦合推挽功率放大电路图
用二极管耦合的甲乙类输出电路
采用反馈提高光电耦合器件线性度的电路图