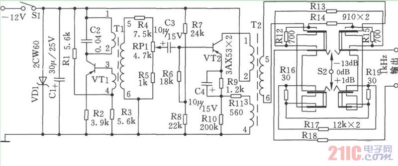
本电路可产生lkHz的信号并有三种输出电平选择。它可用于通讯设备的测试和障碍检修,也可快速、准确地寻找出电视机、音响、收音机及其它低频放大电路的故障点。因此,它是电子设备中理想的信号源。
元器件选择:电阻采用RJ-0.125,电容采用CBM,电解电容采用CDX,开关Sl:KNX(2×1),S2: JT360(小型扳键)。变压器Tl、T2:采用MTT25铁氧体磁罐,Tl的L1-2用Φ0.09mm高强度漆包线,绕制1540匝,L3-4用中0.09mm高强度漆包线,绕制150匝,L5-6用Φ0.09mm高强度漆包线,绕制330匝;T2的L1-2用Φ0.09mm高强度漆包线,绕制1528匝,L3-4用Φ0.09mm高强度漆包线,绕制162匝,L5-6用夺0.09mm高强度漆包线,绕制540匝。
