0
问答首页 最新问题 热门问题 等待回答标签广场
我要提问

模拟电路电源

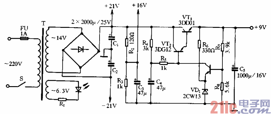
30W扩音机电源电路

30W扩音机电源电路
提问者:iujwers 地点:- 浏览次数:6921 提问时间:08-17 21:02
我有更好的答案
提 交
1条回答
vctwetrwer 08-23 05:56

30W扩音机电源电路


30W扩音机电源电路.gif

撰写答案
提 交
1 / 3
1 / 3
相关模拟电路
正弦波-方波波形变换电路
带符号位的多位二进制反码加减运算电路
最实用基本图解电路48-一相式过流保护电路
OTL音频功率放大电路
振荡电路的起振与稳幅过程电路
相关电源
TDA16846组成的彩电开关电源原理图
联想LX-PL4C2型彩色显示器开关电源电路
长虹CN-9机心彩电开关电源电路
索尼KV2184彩电开关电源电路
王牌TCL-3460D彩电开关电源电路