0
问答首页 最新问题 热门问题 等待回答标签广场
我要提问

模拟电路耦合电路

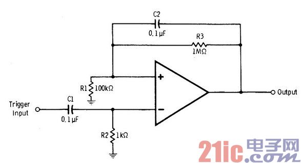
交流耦合的触发器电路图

交流耦合的触发器电路图
提问者:highmagtech 地点:- 浏览次数:4678 提问时间:04-11 02:58
我有更好的答案
提 交
1条回答
uvysdfydad 04-16 16:03

当2V的正触发脉冲的正沿用在741或者与741相等的运算放大器的负输入中时,输入就会变得比正输入还要积极,而且运算放大器的摆幅会达到负饱和水平。在这种情况下,反馈一直是正的,直到下一次的触发脉冲的后沿使得运算放大器的摆幅回到正饱和状态。


交流耦合的触发器电路.jpg

撰写答案
提 交
1 / 3
1 / 3
相关模拟电路
正弦波-方波波形变换电路
带符号位的多位二进制反码加减运算电路
最实用基本图解电路48-一相式过流保护电路
OTL音频功率放大电路
振荡电路的起振与稳幅过程电路
相关耦合电路
用变压器耦合的A类放大器
直接光耦合隔离放大电路图
直接耦合推挽功率放大电路图
用二极管耦合的甲乙类输出电路
采用反馈提高光电耦合器件线性度的电路图