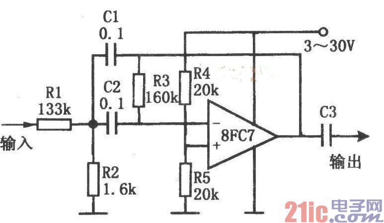
如图所示为单电源低电压带通滤波电路。

该电路采用单电源运算放大器8FC7构成二阶带通滤波器,电源电压范围可从3V到30V。在决定各元件数值时,首先确定带通滤波器的中心频率f0,再按下表选用合适的电容C(C=C1=C2)。然后选定Q值。Q值是代表选频特性的一个参量,Q值高,通带就窄。当Q=10时,可得每倍频程-40dB的频率响应特性。但Q值太大,电路稳定性差。一般Q值选择小于10。闭环增益K,应保证在不失真前提下得到尽可能大的输出幅度。一般KF小于l。最后由以下三式计算出R1、R2、R3。

式中ωo=2πf0。R4和R5给运算放大器同相输入端一个偏置电压,C3是输出隔直流电容。电路中各元件数值是在f0=100Hz、Q=5和KF=0.6的条件下计算出来的。