0
问答首页 最新问题 热门问题 等待回答标签广场
我要提问

模拟电路运算放大电路

运算放大器钳位电路图

运算放大器钳位电路图
提问者:hyc99 地点:- 浏览次数:4882 提问时间:08-07 22:39
我有更好的答案
提 交
1条回答
77672sdfsdf 08-11 03:18

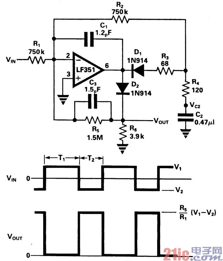
电路可钳位输入脉冲信号的最大正值,使其变为零基础电平。此外,该电路还可通过R5/R1的比值转换和放大输入信号。波形在图2-24的最下端。


运算放大器钳位电路.jpg

撰写答案
提 交
1 / 3
1 / 3
相关模拟电路
正弦波-方波波形变换电路
带符号位的多位二进制反码加减运算电路
最实用基本图解电路48-一相式过流保护电路
OTL音频功率放大电路
振荡电路的起振与稳幅过程电路
相关运算放大电路
低漂移运算放大器
宽带运算放大器
单电源运算放大器电路图
使用L161的100倍增益运算放大器电路图
零漂移运算放大器