
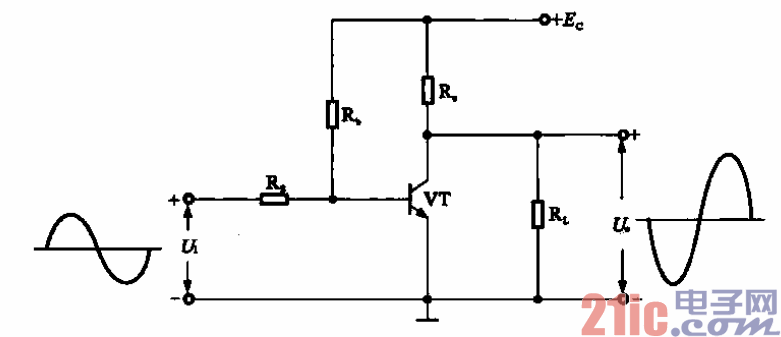
单管直流耦合放大电路
(l)单管直流耦台放大器
所谓单管直流耦合电路是指放大电路中只由一只晶体管构成,它与共射极基本放大电路相比,仅少
了两个耦合电容器C,和Q。由于没有C.、G的隔直流作用,因而信号源和负载均对直流工作状态产生影
响。图所示为单管直流耦合放大电路,其中的关键器件为一只三极管和提供偏压的电阻器。
电路中的偏置电阻器(R扛)通过电源给晶体管
基极供电:负载电阻器(凡)通过电源给晶体管集电
极供电;电阻器(Rs)对信号源来说是限流电阻器,
为晶体管提供适当的输入电流。电阻器(RL)则是放
大嚣输出信号的负载电阻器.晶体管(VT)的功能
是放大基极的输入信号。