0
问答首页 最新问题 热门问题 等待回答标签广场
我要提问

模拟电路高频电路

FM收音机高频放大和混频电路

FM收音机高频放大和混频电路
提问者:Furlong 地点:- 浏览次数:592 提问时间:02-20 13:04
我有更好的答案
提 交
1条回答
胡政鹏测试3 02-24 08:56

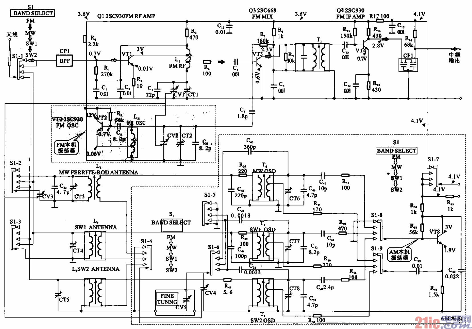
23.FM收音机高频放大和混频电路.gif


所示为FM收音机的高放和混频电路。VT2 (2SC930)为FM的本机振荡器。天线接收的射

频(RF)无线电信号后送到VT1高频放大器的基极,再经VT1放大由集电极输出到混频器VT3的基极,

与此同时本机振荡器VT2的振荡信号也送到混频器VT3的基极,两信号在VT3中混频,VT3集电极的输

出经中频变压器Ti选频后,将中频信号(10.7 MHz)送到中频放大电路VT4的基极,VT4放大后由集电

极输出经中频滤波器CF1输出。然后送往鉴频电路。

撰写答案
提 交
1 / 3
1 / 3
相关模拟电路
正弦波-方波波形变换电路
带符号位的多位二进制反码加减运算电路
最实用基本图解电路48-一相式过流保护电路
OTL音频功率放大电路
振荡电路的起振与稳幅过程电路
相关高频电路
使用高性能场效应晶体管的宽带超高频放大器电路图
高频功率放大器电路图
负偏压高频功放电路图
88-108MHz调频发射机高频功率放大器电路图(输出可达1
甚高频前置放大器电路图