
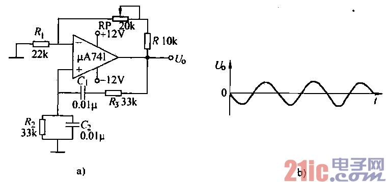
正弦振荡电路由下列几部分组成;
放大部分:由运算放大器pLA741、
RP、Ri组成稳幅环节,它和运算一
起构成基本放大电路。选频网络由
R3 Ci串联和RzG并联组成。
正反馈网络:由风C,跨接于放
大器输入、输出之间来形成。品C.、
Rz Cz串并联和放大器结合,构成具
有选频特性的正反馈。
由选频网络的特性可知,网络
的固有频率fa =l/2耳[C (Rz -Ri=
R、cI =C2 =C),在此频率下,放大
器输出电压与反送到同相输入端的电压相位相同,”满足正反馈,其正反馈系数F=Ui+/Uo -1/3为最大.
根据正弦振荡电路的自激振荡条件可知,该频率必须满足自激振荡的要求。但由于运算放大器开环增益A
很大,故AF=A×寺≥1,输出电压波形产生严重的失真(近似为方渡),为此,在电路中加入R】、RP组
成的负反馈.目的是消除失真。这样基本放大电路就成为具有负反馈网络的同相输入的放大器,其A。f—
1+RRP /RRI。
调节RP,便改变了基本放大电路的电压放大倍数,根据正弦振荡电路幅值平衡条件AvF F-1,可知,
当AwF
使其为某一值时,保证Av-F略大于1.即1+RRP/RR1≥3时,输出为正弦波,