模拟电路

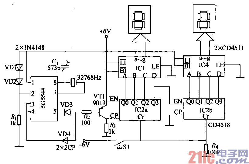
数字秒表电路如图所示。图中的5G5544 (ICl)是一块石英钟集成电路,在电路中作为秒信号
发生器使用。5G5544从③、⑤
脚输出周期为2s的脉冲,经由
VD3、VD4和VT1组成的非逻
辑电平转换电路后,可得到秒
信号的输出。CD4518 (102)内
部封装有两个相同的十进制计
数器,所以可形成二位计数,
如果需要更多位的计数,可以
进行多级级联。
CD4511(IC3、IC4)是
BCD-7段译码/驱动集成电路,
它将十进制计数器输出的BCD
码译成笔画码并驱动LED数码
显示器显示所计秒数。随着秒
信号的不断加入,共阴极LED
数码显示器会不断显示出计数
的秽数。
Sl是清零开关,当按下Sl时.CD4 518的Cr端便可得到一个正脉冲,使电路清零。因为5G5544集成
电路的工作电压为1. 2~2V,所以需经VD1、VD2降压后向其提供工作电源。