0
问答首页 最新问题 热门问题 等待回答标签广场
我要提问

模拟电路高频电路

高频压控振荡电路

高频压控振荡电路
提问者:hu_wfllll1 地点:- 浏览次数:878 提问时间:10-25 21:13
我有更好的答案
提 交
1条回答
hzmbs2016 10-31 23:36

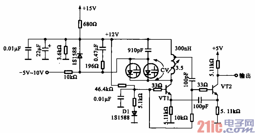
18.高频压控振荡电路.gif


所示为高频压控振荡电路,该振荡器主要是由变容二极管谐振电路、放大器和电源供电电路

构成的,用于高频信号产生电路.

    振荡电路是由LC谐振电路和晶体管VTI构成的,LC谐振电路中的可变电容器是由变容二极管的结

电容实现的,因而改变加到电容二极管上的反向偏压(-5~10 V)就可以改变二极管的结电容,也就改变

了电路的振荡频率,因而被称为压控振荡器,振荡信号由VT2放大后从集电极输出。

撰写答案
提 交
1 / 3
1 / 3
相关模拟电路
正弦波-方波波形变换电路
带符号位的多位二进制反码加减运算电路
最实用基本图解电路48-一相式过流保护电路
OTL音频功率放大电路
振荡电路的起振与稳幅过程电路
相关高频电路
使用高性能场效应晶体管的宽带超高频放大器电路图
高频功率放大器电路图
负偏压高频功放电路图
88-108MHz调频发射机高频功率放大器电路图(输出可达1
甚高频前置放大器电路图